Docket #: S12-017
High Resolution, High Fill Factor Photon Imaging
Stanford Researchers have developed a method for a high-resolution photon imaging device with high fill factor (the ratio of the area of the active imaging elements vs. the dead area occupied by non-imaging elements). The invention interconnects pixels in a Silicon Photomultiplier (SiPM) in such a way that a sparse signal is decoded with fewer channels. This multiplexing network consists of simple components that require less area on an imaging device, reducing dead area. The result is an improvement in imaging accuracy and efficiency, especially for applications operating with low photon fluxes such as LiDAR and positron emission tomography.



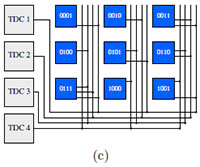
Three SiPM designs with: (a) one TDC (time to digital converter) per pixel, (b) one TDC per row and column of pixels, and (c) one TDC per bit of the binary representation of each pixel number.
The first design is capable of detecting any number of simultaneous hits, but with a large number of TDCs. The other two can only uniquely decode up to a single pixel firing, but require substantially fewer TDCs.
Stage of Research
Researchers are planning on fabricating an integrated circuit using the design.
Applications
- Positron emission tomography (PET)
- Single photon emission computed tomography (SPECT)
- X-ray imaging / CT scanning
- Fluorescence detection
- Confocal microscopy
- Flow cytometry
- Light Radar (LiDAR)
Advantages
- High resolution AND high fill factor (70-80% vs. prior art 5% or less)
- More efficient – reduces the number of digitizing components, minimizing interconnects while using simple logic operations to interconnect pixels
- Uses a simple digitizing component, a TDC (time to digital converter) vs. an ADC (Analog to digital converter)
- Reduced TDC cost and power consumption
Publications
- van den Berg, E., Candès, E., Chinn, G., Levin, C., Olcott, P. D., & Sing-Long, C. (2013). “Single-photon sampling architecture for solid-state imaging sensors.” Proceedings of the National Academy of Sciences of the United States of America, 110(30), E2752.
Related Links
Patents
- Published Application: 20140226043
- Issued: 9,197,805 (USA)
Similar Technologies
-
Semiconductor Crystal High Resolution Imager S04-235ASemiconductor Crystal High Resolution Imager
-
Efficient wide-field nanosecond imaging methods using Pockels cells for low-light applications S18-388Efficient wide-field nanosecond imaging methods using Pockels cells for low-light applications
-
Scintillation Crystal Detection Arrays for Radiation Imaging Devices S04-235Scintillation Crystal Detection Arrays for Radiation Imaging Devices